0532-80915551
首页
Home
关于我们
About Us
学校介绍
School Introduction
名校长
Famous Principals
政府支持
Government Support
教育科研
Education and Research
影像格兰德
Video Image
小学部
ELEMENTARY
名师团队
Prominent Faculty
课程设置
Curriculum
课程特色
Course Features
成果展示
Achievement Display
作业公示
Homework
初中部
MIDDLE
名师团队
Prominent Faculty
课程设置
Curriculum
课程特色
Course Features
成果展示
Achievement Display
高中部
HIGH
名师团队
Prominent Faculty
课程设置
Curriculum
课程特色
Course Features
升学成果
Progression Results
国际部
INTERNATIONAL
名师团队
Prominent Faculty
课程设置
Curriculum
课程特色
Course Features
升学成果
Progression Results
校园公告
NEWS
校园新闻
School News
餐饮服务
Gatering Services
校车服务
School Bus Services
硬件设施
Hardware facility
校园安全
Campus Security
入学申请
ADDMISSION
招生简章
Adminssions
升学路径
Path of Progression
校园公告
Campus Announcement
校园新闻
School News
餐饮服务
Catering Services
校车服务
School bus service
硬件设施
Hardware facility
校园安全
Campus security
announcement
School News
校园新闻
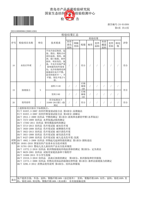
青岛格兰德小学青岛格兰德中学2024-2025学年学生棉服质检报告公示
2024-11-24
返回列表
新闻搜索
*选择发布年份
2018
2019
2020
2021
*选择发布月份
1
2
3
4
5
6
7
8
9
10
11
12
推荐新闻
青岛格兰德小学教辅材料征订致家长的一封信
2025-12-15
青岛格兰德学校2025-2026学年学生棉服质检合格网上公示
2025-11-13
青岛格兰德学校2025-2026学年学生制服装质检合格公示
2025-11-06
青岛格兰德学校2025-2026学年学生线背心质检合格公示
2025-11-06
青岛格兰德学校2025-2026学年学生衬衣质检合格公示
2025-11-06